

性能特点
DOW™ Ultrafiltration 超滤组件由高强度中空纤维膜构成,具有以下出色的特征及优点:
• 0.03µm的公称孔径,可有效去除细菌、病毒以及包括胶体在内的颗粒,以保护反渗透膜(RO)等下游工艺。
• PVDF聚合物中空纤维具有高强度和良好的抗化学腐蚀能力,从而延长膜的使用寿命。
• 亲水性PVDF 纤维易于清洗和湿润,有助于长期保持性能稳定。
• 超滤的外压式结构,可耐受更高的进水固体含量,从而减少预处理过程。
• 具有 U-PVC 外壳,无需昂贵的压力容器。
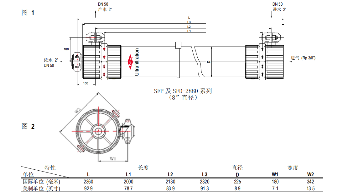
该型号组件适用于容量在 50m³/hr(220 gpm)以上的系统。更长的组件长度(80英寸),更大的有效膜面积(直径达 8 英寸),以及更大的填充密度(多达10,000 根纤维),使其成为DOW™ 超滤组件中有效膜面积最高的组件。2880系列超滤组件有助于实现更经济的膜系统设计。
DOW™ 超滤组件可广泛用于地表水、海水、工业废水以及二级生化出水等各种水处理应用。
产品规格


运行参数
